接地電阻測試儀Victor 4108的應用
l
接地的目的
接地是為保證電工設備正常工作和人身安全而采取的一種用電安全措施。常用的有保護接地、工作接地、防雷接地、屏蔽接地、防靜電接地等。良好的接地系統,可使得電工設備和其他生產設備上可能產生的漏電流、靜電荷以及雷電電流等引入地下,從而避免人身觸電和可能發生的火災、爆炸等事故。
l
接地電阻的定義
良好的接地系統,其接地電阻應足夠的小,理想情況下接地電阻為零,但是實際情況下接地電阻不為零,圖1給出了簡單的接地系統,它是由被接地體(被接地的電氣設備機器)與和大地接觸的接地電極,以及將它們在電氣上連接的接地線構成。

這個系統的接地電阻包含以下三種電阻:
① 接地線及接地電極本身的導體電阻
② 接地電極的表面和與之接觸的土壤之間的接觸電阻
③ 接地電極周圍土壤所具有的電阻
這三種因素中③對接地電阻影響最大,土壤所具有的電阻是接地電阻的主要部分,將土壤電阻也稱為大地電阻。因此對測量 土壤電阻將顯得尤為重要。
圖1
l
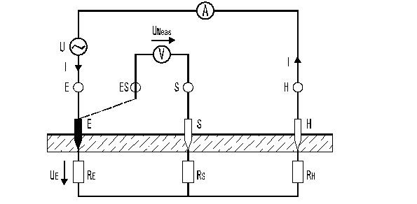
接地電阻測量原理
VICTOR 4108使用電位降法測試接地電阻。

交流源U產生的電流I,流經被測接地電阻RE和輔助接地電極RH,在流回電流源U。這樣被測接地電阻RE就有電壓Ue,它可通過探針S檢測和測量。由于電壓測量電路阻抗很高,可以忽略電壓極的電阻RS的影響。電流I通過內部的電流測量電路測得。因此被測接地電阻RE=Ue/I。
在實際的測試過程中,由于工頻會影響測量電路,使得測量數據不準確,因此交流源的頻率不能為工頻50Hz/60Hz,要選取其他的頻率點,保證測量數據的準確性。VICTOR 4108在工頻50Hz/60Hz干擾抑制方面,不僅采用了數字濾波的算法,而且使用4種不同的交流源頻率94Hz,105Hz,111Hz,128Hz,使得工頻干擾能得到很大的抑制。這4種頻率可通過手動設定,也可自動設定。當采用自動設定時,儀表可以根據當前的干擾噪聲,自動的選擇最佳的頻率,使得測量的數據更加的準確,可靠。
l
土壤電阻率的測試
測量土壤電阻率,可以幫助我們了解當地的土壤電阻,便于我們在為變電站、通訊站等選址時,提供重要的設計信息,使得設計的接地電阻能滿足這些場合的要求。
VICTOR 4108測試土壤電阻率,采用的是Wenner 開發的方法(F.Wenner)測量土壤電阻率的方法,并用4極法進行測試。僅需設置地樁間隔參數,VICTOR 4108便可自動的計算出土壤電阻率。按下”MEMU”鍵,進入系統菜單[SYSTEM Setting],選擇”Length”(接地棒間隔)設置項,可設置1~30m的間隔,例如設置20m。
按下圖進行連接測試。

按下“TESE”鍵,VICTOR 4108將按照以下公式進行計算,
ρ=2paR
ρ:土壤電阻率的平均值(W·m)
a:接地棒之間的距離(m)
R:測量電阻(W)
顯示屏顯示結果就是土壤電阻率,同時將當前的干擾電壓,干擾頻率等信息,一并的顯示,便于我們對測得土壤電阻率的做進一步的分析。
提示:當顯示屏顯示噪聲符號“”時,此時測得的土壤電阻率將不準確,需重新測試,直到沒有顯示噪聲符號時,測得的土壤電阻率才是有效數據。
l
高壓鐵塔的接地電阻的測量
在測量高壓鐵塔的接地電阻時,我們需要測量高壓鐵塔的接地電阻,有時還需要測量高壓鐵塔的每一個支架接地線的接地電阻。在測試的時候,我們通常是要斷開架空接地線。因為高壓鐵塔上都會有架空接地線,它將所有的高壓鐵塔連接在一起,也就是說它將所有的高壓鐵塔的接地電阻并聯在一起,為了測量某一個高壓鐵塔的接地電阻,就要斷開其架空接地線,然后才能進行測量;如果要測量高壓鐵塔某個支架的接地電阻時,不僅要斷開架空地線,還要逐個斷開高壓鐵塔基座上的接地線后,再進行測量(高壓鐵塔基座上的接地線不止一個)。這樣的測量方法在實際的情況中,很難操作,需要投入很大人力和物力,方能進行測試。但是VICTOR4108只需要配合一個專用鉗頭,就能無需斷開架空線和接地線的情況下,對高壓鐵塔的接地電阻,或是某個支架接地線的接地電阻進行測試。
按下圖進行測試連接

由上圖可知,VICTOR 4108采用的是選擇電極法,首先測量出每一個支架接地線的接地電阻值。由于高壓鐵塔的總電阻為所有支架接地線的并聯電阻,那么可以根據以下公式,就能計算出高壓鐵塔的總電阻R
總
提示:當顯示屏顯示噪聲符號“”時,此時測得的接地電阻將不準確,需重新測試,直到沒有顯示噪聲符號時,測得的接地電阻值才是有效數據。
l
無棒接地電阻的測量
在測量多接地系統中的單個支路接地電阻時,VICTOR 4108的“無棒”測試法,給出了一個完美的解決方案。它無需斷開其它接地系統,也無需給輔助電極找合適的位置,來安裝輔助電極,就能測出單個支路的接地電阻。
其工作原理如下:
在接地系統中,所有支路的并聯接地電阻之和要遠遠小于單個支路的接地電阻。那么就有如下公式:

如果R1…Rn電阻的并聯連接遠遠小于所測接地電阻Rx:

那么

。
根據以上原理VICTOR 4108按下圖進行連接測試
VICTOR 4108配備2個電流鉗,一個電流鉗將感應的電壓輸入到接地系統網絡中,另一個電流鉗測量被測支路的電流,根據公式

,就可算出某個支路的接地電阻。